AFFORDABLE HIGH-SPEED SPINDLES
BECAUSE, DOWTIME SHOULDE BE YOUR ONLY COST!
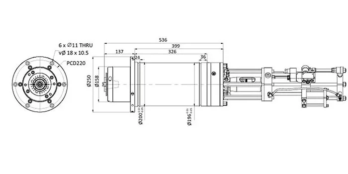
DIRECT DRIVE SPINDLES
Direct Drive Spindles
The Direct Drive Spindles from ZEN SPINDLE is an advanced machining solution crafted for high-performance applications. It is specifically designed to accommodate BT30, BT40, BT50, HSKA50, and HSKA63 tapers, making it versatile for use across various industries, such as aerospace, automotive, and manufacturing.
Key Features
Direct Drive Technology
The hallmark of the Direct Drive Spindle is its innovative direct drive system, which eliminates the complexities associated with traditional belt or pulley mechanisms. This allows for immediate power transmission from the motor to the spindle, resulting in enhanced torque and responsiveness. The direct connection facilitates rapid acceleration and deceleration, contributing to superior machining accuracy and efficiency.
High-Speed Capability
This spindle is engineered to operate at high RPMs, enabling it to handle fast machining cycles with ease. The ability to reach elevated speeds allows manufacturers to optimize their processes, achieving shorter cycle times while maintaining high-quality output.
Precision Performance
With a design focused on minimizing runout, the Direct Drive Spindle ensures exceptional precision in every machining task. This accuracy is crucial for applications requiring intricate components, where even the slightest deviation can impact performance and fit.
Enhanced Cooling System
To address heat generation during operation, the spindle incorporates an advanced cooling system. This feature is vital for maintaining optimal operating temperatures, which not only prolongs the lifespan of the spindle but also ensures consistent performance during extended machining sessions.
Durability and Reliability
Crafted from high-quality materials, the ZEN SPINDLE Direct Drive Spindle is built to withstand the rigorous demands of heavy machining applications. Its robust construction provides reliability and minimizes the need for maintenance, making it a dependable choice for manufacturing operations.
Low Vibration Operation
The spindle’s design effectively minimizes vibrations during operation, enhancing stability and accuracy. This feature not only improves the quality of the final product, resulting in a superior surface finish but also contributes to the longevity of the tooling involved.
The ZEN SPINDLE Direct Drive Spindle stands as a cutting-edge solution for manufacturers looking to elevate their machining operations. Its unique combination of high-speed capabilities, precision engineering, and enhanced durability provides a comprehensive answer to the challenges of modern production. With its adaptability across various tapers and commitment to performance, this spindle is designed to meet the rigorous demands of today’s industrial applications, ensuring competitive advantage and quality output.
